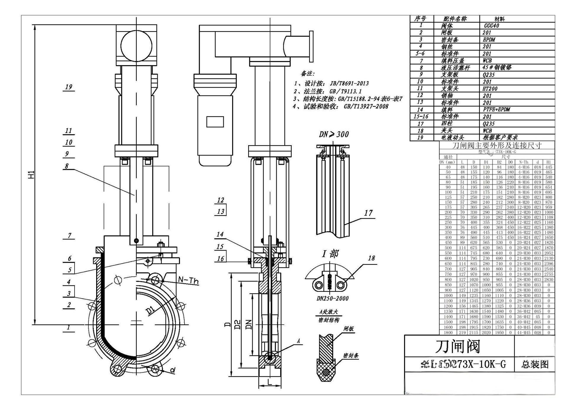
电液动刀型闸阀详细说明

一、主要用途
电液动刀型闸阀(又称电液动刀形闸阀、电液动刀闸阀)是一种专为含悬浮颗粒、纤维介质设计的控制阀门,核心功能是通过刀刃形闸板切断或导通介质,具体用途如下:
适用介质场景
针对含悬浮颗粒(如灰渣、煤粒)、纤维材料(如纸浆纤维)的介质,包括纸浆、污水、煤浆、灰渣水泥混合物、糖浆等,依靠闸板的刀刃结构切断纤维类介质,避免堵塞或卡阻。
行业应用领域
广泛应用于排水、供热、电站、化工、食品(如糖浆输送)、造纸(纸浆控制)、制药、煤炭、采矿等工程,满足工业自动化控制需求。
控制方式优势
驱动部分采用多回转电动装置,支持远距离自动化控制(可与计算机联动实现自动控制)、现场手动操作(应对供电中断),适用于无人值守或危险环境下的介质管控。

二、制造标准
产品制造需遵循行业通用标准,确保性能与安全性,主要包括:
压力与密封试验标准
壳体试验:压力为公称压力(PN)的 1.5 倍,验证阀体耐压强度;
密封试验:压力为公称压力的 1.1 倍,确保密封面无泄漏,符合阀门密封性能基础要求(参考 GB/T 13927《工业阀门 压力试验》或 API 598《阀门的检验和试验》)。
电动装置标准
防护等级:标准型 IP65(防尘、防雨水)、防水型 IP67(防尘、防短时浸水),符合 IEC 60529《外壳防护等级》;
防爆等级:防爆型(EX)为 DⅡ BT4/DⅡ CT4(不含乙炔),符合 GB 3836《爆炸性环境》系列标准,确保易燃易爆环境安全使用。
材质与温度适配标准
密封件材质需满足温度要求:橡胶密封≤80℃、四氟(PTFE)密封≤180℃、硬密封(如金属密封)≤425℃,材质选择需符合介质兼容性规范(如食品级介质需采用符合 FDA 标准的密封材料)。

三、生产工艺
电液动刀型闸阀的生产需兼顾结构强度、密封性能与刀刃切割能力,核心工艺如下:
阀体制造
阀体采用铸造或焊接工艺,确保 “无腔室” 结构(避免介质淤积),材质根据介质特性选择(如铸铁、碳钢、不锈钢,腐蚀性介质可选 316 不锈钢);
阀体侧面需加工精准的导向槽(闸板升降轨道),保证闸板垂直运动,减少摩擦卡顿。
闸板加工
闸板采用锻造或精密机加工,刃口部分经热处理(如淬火)增强硬度(确保切割纤维能力),密封面加工为平面或与阀座匹配的锥面;
闸板底部设计凸耳结构,关闭时通过凸耳紧压阀座,提升密封性(如需双向密封,可装配 O 形密封阀座)。
密封结构处理
阀座根据密封需求选择材质:橡胶(适用于低温、非腐蚀性介质)、四氟(适用于中温、弱腐蚀介质)、金属硬密封(适用于高温、高压或强磨损介质);
密封面需经过研磨处理,确保与闸板贴合紧密,降低泄漏风险。
电动装置组装与测试
电动装置(多回转类型)与阀体机械连接,集成电机、减速机构及手动操作部件,组装后测试启闭灵活性;
防爆型需通过防爆认证测试(如隔爆接合面间隙、绝缘电阻检测),防护等级通过 IP65/IP67 模拟试验(防尘、喷水 / 浸水测试)。

四、安装指南
安装前准备
核对阀门型号、公称压力、密封材质是否匹配管道介质(如温度、腐蚀性)及工况参数;
检查阀体、闸板、电动装置是否完好,清除闸板与阀座间的杂物(避免安装后卡阻);
确认电动装置防护等级(如户外安装需 IP65 及以上,防爆环境需防爆型)。
安装要点
位置与方向:安装高度及位置不受限制(垂直、水平管道均可),但需保证闸板升降方向垂直(避免倾斜导致卡阻),且预留手动操作空间(方便供电中断时操作);
介质流向:无严格流向限制,但建议根据阀体标识安装(确保闸板关闭时介质压力助力密封);
连接方式:通常采用法兰连接,法兰密封面需清理干净,加装适配垫片(如金属缠绕垫、四氟垫),均匀拧紧螺栓避免偏载泄漏;
电气安装:电动装置接线需符合防爆要求(防爆型需穿防爆管、接防爆接线盒),电缆密封紧实(防止水汽、粉尘进入),并连接至控制系统(调试远程启闭功能)。
安装后调试
手动操作测试:旋转手动手柄,检查闸板升降是否顺畅,无卡阻或异响;
电动启闭测试:通电后测试远程启闭功能,验证闸板到位精度(全开 / 全关信号反馈是否准确);
密封测试:通入 1.1 倍公称压力的介质,检查密封面及法兰连接处是否泄漏。

五、维护保养
日常检查
电动装置:定期检查外壳防护状态(IP65/IP67 是否完好,无破损、进水),防爆型需检查防爆接合面是否有锈蚀、划伤(影响防爆性能);
闸板与阀座:观察启闭时是否有异常噪音(可能因颗粒卡阻),定期打开阀体检查闸板刃口是否磨损(磨损会导致切割能力下降)、密封面是否有划痕;
电气系统:检查接线端子是否松动、电缆是否老化,控制器指示灯是否正常(避免接触不良导致控制失效)。
定期保养
润滑:闸板导向槽及电动装置减速机构需定期加注润滑脂(如二硫化钼脂),减少摩擦磨损;
清洁:对含粘性介质(如糖浆、纸浆),需定期手动启闭闸板,清除阀座与闸板间的残留介质(防止固化卡阻);
密封件更换:橡胶或四氟密封件出现老化、开裂时,及时更换(参考工作温度更换对应材质,避免超温失效)。
故障处理
启闭卡阻:可能因介质颗粒卡住闸板,需停机后手动操作闸板往复运动,清除杂物;若为导向槽磨损,需修复或更换阀体;
密封泄漏:检查闸板密封面是否磨损(轻微磨损可研磨修复),或阀座老化(更换阀座);
电动失效:先检查供电及控制器(排除电路故障),再检查电机或减速机构(必要时更换电动装置部件),紧急情况下切换至手动操作,防止介质失控。

六、关键特性补充
自动化与安全性:启闭迅速、平衡可靠,自动化程度高,防爆型可在易燃易爆、有毒气体环境安全运行;
应急保障:标配手动操作功能,供电中断时可手动控制,避免介质失控引发事故;
环境适应性:防护等级高(IP65/IP67),可直接用于户外或潮湿环境,适用场景灵活。

通过规范安装与定期维护,可确保电液动刀型闸阀在复杂介质工况下长期稳定运行,延长使用寿命。
泵阀商城供应的产品都有售后服务和双重质量保障!采购阀门、水泵请联系平台客服或下单定制。